Podłączenie domofonu Orno OR-AD-5002 może wydawać się skomplikowane, ale z odpowiednimi wskazówkami można to zrobić samodzielnie. W tym artykule przedstawimy proste kroki do skutecznej instalacji tego urządzenia, które poprawi bezpieczeństwo i komfort w Twoim domu. Zaczniemy od niezbędnych narzędzi, a następnie przejdziemy do szczegółowych instrukcji dotyczących podłączenia zarówno jednostki wewnętrznej, jak i zewnętrznej.
Ważne jest, aby pamiętać, że domofon Orno OR-AD-5002 wymaga kompatybilnego unifonu, aby działać w systemie interkomowym budynku. Jeśli nie masz pewności, jak skonfigurować urządzenie, nie martw się – w tym artykule znajdziesz wszystkie potrzebne informacje, aby wszystko działało sprawnie.
Kluczowe informacje:
- Do instalacji potrzebne będą narzędzia takie jak śrubokręt, kabel telefoniczny oraz narzędzie do zaciskania.
- Wybierz odpowiednie miejsce na jednostkę wewnętrzną, aby była łatwo dostępna.
- Podłącz przewody do odpowiednich terminali w jednostce wewnętrznej, oznaczonych literami "L" i "T".
- Upewnij się, że zewnętrzna jednostka dzwonkowa jest zamontowana w widocznym miejscu.
- Testuj system, aby upewnić się, że wszystko działa prawidłowo przed trwałym zamontowaniem.
- Nie zapomnij o konfiguracji unifonu, aby przypisać poprawny numer mieszkania.
Jak podłączyć domofon Orno OR-AD-5002 - krok po kroku
Podłączenie domofonu Orno OR-AD-5002 to proces, który można wykonać samodzielnie, jeśli masz odpowiednie narzędzia i materiały. Znajomość kroków instalacyjnych jest kluczowa, aby zapewnić prawidłowe działanie urządzenia. W tej sekcji przedstawimy ogólny przegląd procesu instalacji, który pomoże Ci zrozumieć, co należy zrobić, aby domofon działał bez zarzutu.
Ważne jest, aby przygotować się przed rozpoczęciem instalacji. W kolejnych częściach artykułu omówimy szczegółowe kroki, które należy podjąć, aby poprawnie podłączyć domofon, a także wskazówki dotyczące montażu i konfiguracji. Przygotowanie do instalacji to pierwszy krok do sukcesu.Przygotowanie narzędzi i materiałów do instalacji domofonu
Aby zainstalować domofon Orno OR-AD-5002, potrzebujesz kilku podstawowych narzędzi i materiałów. Właściwe przygotowanie pozwoli Ci zaoszczędzić czas i uniknąć frustracji podczas instalacji. Poniżej znajdziesz listę niezbędnych przedmiotów, które musisz mieć pod ręką.
- Śrubokręt – do montażu jednostek domofonu.
- Kabel telefoniczny – potrzebny do połączenia jednostek.
- Narzędzie do zaciskania – do przygotowania końcówek kabli.
- Kleje do kabli – do trwałego mocowania jednostek.
Wybór odpowiedniego miejsca na jednostkę wewnętrzną
Wybór odpowiedniego miejsca na jednostkę wewnętrzną domofonu Orno OR-AD-5002 jest kluczowy dla jego prawidłowego działania. Dobre umiejscowienie zapewnia łatwy dostęp do urządzenia oraz umożliwia wygodne korzystanie z jego funkcji. Najlepiej, aby jednostka była zainstalowana w pobliżu drzwi wejściowych, co ułatwi komunikację z osobami znajdującymi się na zewnątrz.
Warto również zwrócić uwagę na widoczność i dostępność miejsca. Upewnij się, że nie ma przeszkód, które mogłyby utrudnić korzystanie z domofonu. Dobrze jest unikać miejsc zbyt niskich lub zbyt wysokich, które mogą być niewygodne dla użytkowników. Pamiętaj, że odpowiednie umiejscowienie jednostki wewnętrznej wpłynie na komfort użytkowania oraz efektywność systemu.
Szczegółowe instrukcje podłączenia domofonu Orno OR-AD-5002
Podłączenie domofonu Orno OR-AD-5002 wymaga wykonania kilku kluczowych kroków, które zapewnią jego prawidłowe działanie. Instrukcja podłączenia domofonu Orno obejmuje zarówno montaż jednostki wewnętrznej, jak i zewnętrznej. Poniżej przedstawimy szczegółowe instrukcje, które pomogą Ci w tym procesie.
Na początku należy otworzyć obudowę jednostki wewnętrznej i przygotować przewody. Połącz jeden przewód z dzwonkiem, a drugi z słuchawką. Wewnątrz obudowy znajdziesz odpowiednie terminale, zazwyczaj oznaczone literami "L" dla dzwonka i "T" dla słuchawki. Następnie zamontuj zewnętrzną jednostkę dzwonkową w widocznym miejscu na zewnątrz budynku i podłącz jej przewód do terminala "BELL" w jednostce wewnętrznej.
Po tym kroku zainstaluj słuchawkę wewnętrzną, upewniając się, że jest ona dobrze zabezpieczona. Podłącz przewód słuchawki do terminala "PHONE" w jednostce wewnętrznej. Na koniec zamknij obudowę i upewnij się, że wszystkie połączenia są prawidłowo zabezpieczone. Po zakończeniu instalacji przetestuj system, aby upewnić się, że działa poprawnie, naciskając zewnętrzny dzwonek – powinieneś usłyszeć dźwięk dzwonka w słuchawce.
Montaż zewnętrznej jednostki dzwonkowej w widocznym miejscu
Montaż zewnętrznej jednostki dzwonkowej Orno OR-AD-5002 jest kluczowym krokiem w procesie instalacji. Wybór odpowiedniego miejsca do zamontowania dzwonka ma ogromne znaczenie dla jego funkcjonalności. Powinien on być umieszczony w widocznym i łatwo dostępnym miejscu, aby każda osoba, która chce skontaktować się z mieszkańcami, mogła go łatwo znaleźć i użyć.Podczas montażu, upewnij się, że jednostka jest zamocowana na stabilnej powierzchni, aby uniknąć jej uszkodzenia. Warto również zwrócić uwagę na wysokość montażu – dzwonek powinien być na tyle wysoko, aby był dostępny dla dorosłych, ale nie tak wysoko, aby był niedostępny dla dzieci. Pamiętaj, aby przewody były odpowiednio zabezpieczone i nie wystawały w miejscach, gdzie mogłyby zostać uszkodzone.
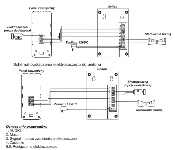
Podłączenie przewodów do jednostki wewnętrznej domofonu
Podłączenie przewodów do jednostki wewnętrznej domofonu Orno OR-AD-5002 to kluczowy etap, który zapewnia prawidłowe działanie całego systemu. Aby to zrobić, otwórz obudowę jednostki wewnętrznej i przygotuj przewody. Zazwyczaj znajdziesz oznaczenia terminali, takie jak "L" dla dzwonka i "T" dla słuchawki, co ułatwi Ci podłączenie.
Podłącz przewód od zewnętrznej jednostki dzwonkowej do terminala "BELL" w jednostce wewnętrznej, a następnie przewód od słuchawki do terminala "PHONE". Upewnij się, że wszystkie połączenia są mocno zabezpieczone, aby uniknąć problemów z działaniem domofonu.Konfiguracja unifonu dla domofonu Orno OR-AD-5002
Konfiguracja unifonu jest kluczowym etapem, który zapewnia prawidłowe działanie domofonu Orno OR-AD-5002. Ustawienie jumperów jest istotne, ponieważ pozwala na przypisanie odpowiedniego numeru mieszkania oraz zapewnia kompatybilność z systemem interkomowym budynku. W tej sekcji omówimy, jak prawidłowo skonfigurować unifon, aby wszystko działało bez zarzutu.Aby skonfigurować unifon, najpierw należy zidentyfikować odpowiednie zworki, które trzeba ustawić. Zazwyczaj w instrukcji obsługi znajdziesz schemat, który pokazuje, które zworki należy przestawić w zależności od numeru mieszkania. Upewnij się, że unifon jest dobrze podłączony do zasilania, ponieważ niewłaściwe połączenie może prowadzić do problemów z działaniem urządzenia. Dobrze skonfigurowany unifon zapewni stabilne połączenie z jednostką wewnętrzną oraz zewnętrzną.
Jak ustawić jumpersy dla poprawnej konfiguracji
Aby ustawić jumpersy dla unifonu Orno OR-AD-5002, najpierw musisz otworzyć obudowę unifonu i zlokalizować zworki. Ustawienie jumperów jest kluczowe dla przypisania poprawnego numeru mieszkania. Zazwyczaj, dla mieszkań 1-4, należy ustawić zworki w odpowiednich miejscach zgodnie z instrukcją. Upewnij się, że po ustawieniu jumperów obudowa jest dobrze zamknięta, aby uniknąć przypadkowych uszkodzeń.

Testowanie systemu domofonu Orno OR-AD-5002 po instalacji
Po zakończeniu instalacji domofonu Orno OR-AD-5002 ważne jest, aby przeprowadzić odpowiednie testy, które zapewnią, że system działa prawidłowo. Testowanie systemu pozwala na wykrycie ewentualnych problemów jeszcze przed rozpoczęciem użytkowania. Upewnij się, że wszystkie komponenty są poprawnie podłączone i gotowe do użycia.
Rozpocznij testowanie od naciśnięcia zewnętrznego dzwonka. Powinieneś usłyszeć dźwięk dzwonka w słuchawce wewnętrznej. Jeśli dźwięk jest słaby lub nie słychać go wcale, sprawdź połączenia przewodów oraz ustawienia jumperów w unifonie. Kolejnym krokiem jest sprawdzenie, czy wszystkie przyciski na słuchawce działają prawidłowo, a także czy można rozmawiać z osobą na zewnątrz. Upewnij się, że dźwięk jest czysty i nie ma zakłóceń.
Rozwiązywanie najczęstszych problemów z domofonem
Podczas użytkowania domofonu Orno OR-AD-5002 mogą wystąpić różne problemy. Najczęstsze z nich to brak dźwięku, szumy w słuchawce czy problemy z połączeniem. Rozwiązywanie problemów zaczyna się od sprawdzenia, czy wszystkie przewody są prawidłowo podłączone oraz czy unifon jest odpowiednio skonfigurowany. Upewnij się, że zworki są ustawione zgodnie z instrukcją, aby przypisać poprawny numer mieszkania.
| Problem | Objawy | Rozwiązanie |
| Brak dźwięku | Nie słychać dzwonka ani rozmowy | Sprawdź połączenia przewodów oraz ustawienia jumperów. |
| Szumy w słuchawce | Nieczysty dźwięk podczas rozmowy | Upewnij się, że przewody są dobrze zabezpieczone i nie mają uszkodzeń. |
| Problemy z połączeniem | Nie można rozmawiać z osobą na zewnątrz | Sprawdź, czy unifon jest prawidłowo skonfigurowany i podłączony do zasilania. |
Jak zintegrować domofon Orno z systemem smart home
Integracja domofonu Orno OR-AD-5002 z systemem smart home może znacząco zwiększyć komfort i bezpieczeństwo użytkowania. Dzięki zastosowaniu technologii automatyzacji, możesz zdalnie zarządzać swoim domofonem za pomocą aplikacji na smartfona, co pozwala na odbieranie połączeń i monitorowanie, kto stoi przed drzwiami, nawet gdy nie ma Cię w domu. Warto rozważyć zakup dodatkowych modułów, które umożliwiają komunikację z innymi urządzeniami w systemie smart home, takimi jak kamery czy czujniki ruchu.
W przyszłości, rozwój technologii IoT (Internet of Things) może przynieść jeszcze więcej możliwości. Na przykład, domofon mógłby automatycznie łączyć się z systemem alarmowym, informując Cię o nieautoryzowanym dostępie lub umożliwiając zdalne otwieranie drzwi dla gości. Tego rodzaju integracje nie tylko poprawiają bezpieczeństwo, ale także zwiększają wygodę życia codziennego, pozwalając na lepsze zarządzanie domem w sposób, który wcześniej byłby niemożliwy.
